Gå till innehåll
fredag 07 november 2025
Scampi76

Elschema för segelbåt

Rekommendera Poster

Postad (redigerade)

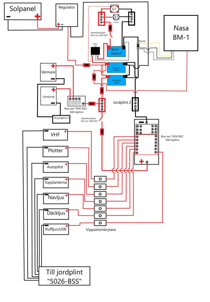
Tänkte fixa elen ombord på båten nu innan säsongen. Som det ser ut idag laddas inte förbrukarbatterierna från generatorn. Köpte därför skyllermarks grundsats och en utbyggnadssats förra årtet. Har uttgått ifrån deras kopplingsschema och lagt till lite saker som solpanel osv. Lägger upp elschemat som bild, lägger också in en länk till det om det inte skulle funka så bra i mg.

 

Produkterna jag tänker använda är:

 

Blue sea säkringsbox "5045-BSS" samt "5026-BSS"

Solcellsregulator peakpower "540168"

Nasa BM1 batteriövervakning

 

Resten av grejorna tänkte jag köpa från skyllermarks.

 

Nu till mina frågor:

 

1: Sitter huvudströmbrytarna rätt? osäker på om de ska sitta innan eller efter säkringen. Satte även en brytare på startkretsen då jag läst många som inte håller med skyllermarks om just det.

 

2: I manualen för solcellsregulatorn står det att det ska sitta en strömbrytare som bryter både + och - ifrån solpanelen. Har inte lagt in det i ritningen men jag funderade på om en dvärgbrytare skulle fungera bra där eller om det är onödigt med en strömbrytare.

 

3: Tycker också att det känns som jag har väldigt mycket anl säkringar men jag la in dem då det stod i manualerna från blue sea att varje säkringsbox skulle vara avsäkrad, men det kanske räcker med "huvudsäkringarna" som sitter vid batterierna.

 

4: Är även lite osäker på hur shunten till batteriövervakningen skulle kopplas, men tror att det borde vara rätt nu?

 

Tar gärna emot åsikter på mitt elschema och och val av produkter.

 

https://imgur.com/a/aGZKLFM

934156dbb201526ddb9601bda8dff97c.png

ELSCHEMA_V1.png

Redigerad av Scampi76
Formatering

Dela detta inlägg


Länk till inlägg
Dela på andra webbplatser

Tycker det ser ganska bra ut (fast senaste gången jag skrev det så var det en massa fel jag inte såg!).

Länspumpar kopplar man oftast direkt på batteri så man inte slår av dem när man lämnar båten.

Jag har tvåpoliga dvärgbrytare både mellan panel och regulator och mellan regulator och batteri. Sägs vara rätt sätt att göra det.

Har ingen koll på hur Nasa BM1 kopplas in så där är jag inte till någon hjälp. Dock brukar man koppla dessa shuntar mellan batteri(-bank) och minusplint vilket det ser ut som om du inte har gjort.

Sen behöver du låta regulatorns laddström gå genom shunten och inte direkt på batteriet. (Tänk så här: All ström som flyter ut och in i förbrukarbanken måste passera shunten annars mäts den inte.)

  • Gilla 1

Dela detta inlägg


Länk till inlägg
Dela på andra webbplatser
Postad (redigerade)

Och återigen min käpphäst: Koppla laddreläet på andra sidan om huvudsäkringarna (eller förse det med egna säkringar). Så lite osäkrat från batterierna som möjligt.

 

Sedan är frågan vad du har för typ av relä. Med en äldre motor och simpel generator fungerar det att koppla in på laddlampeutgången så som du ritat (dvs att det åker snålskjuts på att fältlindningen puttar ut 12V på D+, den spänningen som släcker lampan), och det går då utmärkt att köra med vilket 12V-relä som helst som klarar lite ström. Behövs inga dyra båtsaker (Kjell har ett 70A för dryga hundralappen, och laddar generatorn bara max 35-40A fungerar ett vanligt "extraljusrelä").

Men modernare generatorer har inte den konstruktionen på sin laddlampeutgång, och då är ett spänningsavkännande relä att föredra. Det köper du med fördel på andra ställen än Skyllermarks m.fl. till en bråkdel av priset. Biltemas fungerar alldeles fullt tillfredsställande t ex.

 

Sedan tyckte du att det var mycket ANL-säkringar. Det framgår inte på vilka ställen det sitter just ANL, men på alla ställen med lite lägre ström (t ex regulatorn-batteriet) så duger flatstift bra (5-10A eller så).

En enkel strömbrytare för solpanelsladdningen i serie med säkringen så kan du koppla bort solpanel/regulator helt vid t ex vinterförvaring. Sätter du brytaren istället på panelsidan om regulatorn så ligger regulatorn fortfarande kvar på batteriet, och i alla fall en del av dem drar lite ström från batteriet i ett sådant läge. Lite - javisst. Men bortkopplat är bortkopplat.

 

Säkringar är f.ö. billiga, och väl valda värden i olika nivåer så får man en snygg sektionering där inte allt rasar och drar huvudsäkringen. Men det får ju vara lite måtta, givetvis.

Jag hade nog skippat säkringen mellan förbrukarbrytaren och säkringscentralen och låtit den före plinten göra det jobbet. Du bör ju ändå dra 6-10mm² som matningsdimension till säkringscentralen. Och i den har du sedan mindre säkringar som hinner skjuta vid fel på enskilda apparater/kablar utan att dra huvudsäkringen.

 

Edit: Som @ChristerN påpekat skall enbart förbrukarminus vara kopplat till shunten, allt annat sätts på andra sidan om den.

Men anslut t ex även reläminus till jordplinten och försök hålla batterikabelskorna "rena". Det kommer underlätta överblicken och ger mindre skatbokänsla. Och framförallt kan du förlägga alla småkablar fast och snyggt så det bara är den grova batteriminus som behöver vara "rörlig" för att kunna plockas av/på batteriet. Det är ett otyg med en skog av småkablar på batteripolskorna, kablar som på sikt riskerar att hänga upp sig, gå av och allt möjligt....

Tycker jag 😉

 

Redigerad av IngemarE

Dela detta inlägg


Länk till inlägg
Dela på andra webbplatser

Plus från solpanelens regulator kan med fördel anslutas till en av de lediga positionerna på den mindre säkringsboxen. Att rycka en flatstiftssäkring (under vinteruppläggning) är nästan lika enkelt som att slå ifrån en brytare.

Dela detta inlägg


Länk till inlägg
Dela på andra webbplatser
2 timmar sedan skrev speljakt:

Plus från solpanelens regulator kan med fördel anslutas till en av de lediga positionerna på den mindre säkringsboxen. Att rycka en flatstiftssäkring (under vinteruppläggning) är nästan lika enkelt som att slå ifrån en brytare.

Håller med om att man lika gärna kan rycka en säkring. Då blir hållaren lite "motionerad" också 😉.

 

Nackdelen är möjligen att huvudbrytaren då måste vara på för att få solcellsladdning. Man vill väl ofta slå av huvudbrytaren när man lämnar båten en längre tid, men då ändå ha solcellsladdning.

Dela detta inlägg


Länk till inlägg
Dela på andra webbplatser
3 hours ago, IngemarE said:

 

Nackdelen är möjligen att huvudbrytaren då måste vara på för att få solcellsladdning.

Som jag uppfattar det är den mindre säkringsboxen (den för värmare och länspump) på batterisidan av huvudbrytaren.

  • Gilla 2

Dela detta inlägg


Länk till inlägg
Dela på andra webbplatser
33 minuter sedan skrev speljakt:

Som jag uppfattar det är den mindre säkringsboxen (den för värmare och länspump) på batterisidan av huvudbrytaren.

Ja, såg det nu. Tack!

Dela detta inlägg


Länk till inlägg
Dela på andra webbplatser
21 hours ago, ChristerN said:

Tycker det ser ganska bra ut (fast senaste gången jag skrev det så var det en massa fel jag inte såg!).

Länspumpar kopplar man oftast direkt på batteri så man inte slår av dem när man lämnar båten.

Jag har tvåpoliga dvärgbrytare både mellan panel och regulator och mellan regulator och batteri. Sägs vara rätt sätt att göra det.

Har ingen koll på hur Nasa BM1 kopplas in så där är jag inte till någon hjälp. Dock brukar man koppla dessa shuntar mellan batteri(-bank) och minusplint vilket det ser ut som om du inte har gjort.

Sen behöver du låta regulatorns laddström gå genom shunten och inte direkt på batteriet. (Tänk så här: All ström som flyter ut och in i förbrukarbanken måste passera shunten annars mäts den inte.)

 

Tack för förklaringen av shunten, har dratt om den i kopplingschemat nu och tror att det stämmer?

 

 

9 hours ago, IngemarE said:

Och återigen min käpphäst: Koppla laddreläet på andra sidan om huvudsäkringarna (eller förse det med egna säkringar). Så lite osäkrat från batterierna som möjligt.

 

Sedan är frågan vad du har för typ av relä. Med en äldre motor och simpel generator fungerar det att koppla in på laddlampeutgången så som du ritat (dvs att det åker snålskjuts på att fältlindningen puttar ut 12V på D+, den spänningen som släcker lampan), och det går då utmärkt att köra med vilket 12V-relä som helst som klarar lite ström. Behövs inga dyra båtsaker (Kjell har ett 70A för dryga hundralappen, och laddar generatorn bara max 35-40A fungerar ett vanligt "extraljusrelä").

Men modernare generatorer har inte den konstruktionen på sin laddlampeutgång, och då är ett spänningsavkännande relä att föredra. Det köper du med fördel på andra ställen än Skyllermarks m.fl. till en bråkdel av priset. Biltemas fungerar alldeles fullt tillfredsställande t ex.

 

Sedan tyckte du att det var mycket ANL-säkringar. Det framgår inte på vilka ställen det sitter just ANL, men på alla ställen med lite lägre ström (t ex regulatorn-batteriet) så duger flatstift bra (5-10A eller så).

En enkel strömbrytare för solpanelsladdningen i serie med säkringen så kan du koppla bort solpanel/regulator helt vid t ex vinterförvaring. Sätter du brytaren istället på panelsidan om regulatorn så ligger regulatorn fortfarande kvar på batteriet, och i alla fall en del av dem drar lite ström från batteriet i ett sådant läge. Lite - javisst. Men bortkopplat är bortkopplat.

 

Säkringar är f.ö. billiga, och väl valda värden i olika nivåer så får man en snygg sektionering där inte allt rasar och drar huvudsäkringen. Men det får ju vara lite måtta, givetvis.

Jag hade nog skippat säkringen mellan förbrukarbrytaren och säkringscentralen och låtit den före plinten göra det jobbet. Du bör ju ändå dra 6-10mm² som matningsdimension till säkringscentralen. Och i den har du sedan mindre säkringar som hinner skjuta vid fel på enskilda apparater/kablar utan att dra huvudsäkringen.

 

Edit: Som @ChristerN påpekat skall enbart förbrukarminus vara kopplat till shunten, allt annat sätts på andra sidan om den.

Men anslut t ex även reläminus till jordplinten och försök hålla batterikabelskorna "rena". Det kommer underlätta överblicken och ger mindre skatbokänsla. Och framförallt kan du förlägga alla småkablar fast och snyggt så det bara är den grova batteriminus som behöver vara "rörlig" för att kunna plockas av/på batteriet. Det är ett otyg med en skog av småkablar på batteripolskorna, kablar som på sikt riskerar att hänga upp sig, gå av och allt möjligt....

Tycker jag 😉

 

 

Tack för mycket utförligt svar, har satt en säkring på reläet nu, Motorn är en yanmar yse12 från 1976 så jag antar att generatorn är av den första typen du beskrev. Köpte skyllermarks grundsats förra året, har nu läst att det kanske inte är så kostnadseffektivt men men. Försöker därför helst använda så mycket från den grundsatsen som möjligt. 

 

Tog även bort säkringen mellan förbrukarbrytaren och den stora säkringsboxen. Kan jag ta bort säkringen till den lilla säkringsboxen för länspump osv också?

 

satte även minus från startbatteri och från regulator på jordplint 2 funkar det?

 

8 hours ago, speljakt said:

Plus från solpanelens regulator kan med fördel anslutas till en av de lediga positionerna på den mindre säkringsboxen. Att rycka en flatstiftssäkring (under vinteruppläggning) är nästan lika enkelt som att slå ifrån en brytare.

Mycket smart har ritat in det i bilden nu.

 

Hur ser allt ut nu, något som är fel?

ELSCHEMA_V2.png

  • Gilla 1

Dela detta inlägg


Länk till inlägg
Dela på andra webbplatser

Jag ser ingen "Sense" avkännarkabel mellan + på förbrukarbanken och Nasa BM-1  ?

Det har jag i min båt.

Dela detta inlägg


Länk till inlägg
Dela på andra webbplatser

Så länge kabelarean mellan förbrukarbankens matningsplint och lilla säkringsboxen klarar huvudsäkringens strömstyrka så är väl säkringen efter plinten redundant? 

Dela detta inlägg


Länk till inlägg
Dela på andra webbplatser
5 hours ago, Rascal said:

Jag ser ingen "Sense" avkännarkabel mellan + på förbrukarbanken och Nasa BM-1  ?

Det har jag i min båt.

Alltid är det något man glömmer... 

 

Har uppdaterat ritningen nu. Undrar om den kabeln går att sätta på plusplinten istället för direkt på batterikabelskon?

 

2 hours ago, Virvelvind said:

Så länge kabelarean mellan förbrukarbankens matningsplint och lilla säkringsboxen klarar huvudsäkringens strömstyrka så är väl säkringen efter plinten redundant? 

Så tänker jag också rent spontant.

ELSCHEMA_V2.1.png

Dela detta inlägg


Länk till inlägg
Dela på andra webbplatser
20 timmar sedan skrev Scampi76:

Har uppdaterat ritningen nu. Undrar om den kabeln går att sätta på plusplinten istället

Du kan sätta kabeln var du vill, men ska du få rätt referens så ska den sitta på pluspolen för att minska risken för felmätning.

Dela detta inlägg


Länk till inlägg
Dela på andra webbplatser
Postad (redigerade)
20 timmar sedan skrev Scampi76:

Undrar om den kabeln går att sätta på plusplinten istället för direkt på batterikabelskon?

Visst kan du det, och felmätningen kommer bli ytterst marginell även vid stor last eftersom du har grov kabel dit.

Men dessutom bör ju även denna vara avsäkrad (liksom alla pluskablar), så med din lösning skulle en inkoppling till sista lediga säkringen i "lilla" säkringsplinten kunna vara lämpligt. Då slipper du en lös säkring också.

 

Saknar också en säkring mellan laddrelä och förbrukarbank. Alternativt anslut denna sida av reläet till förbrukarplusplinten istället, så fyller huvudsäkringen det syftet.

Redigerad av IngemarE

Dela detta inlägg


Länk till inlägg
Dela på andra webbplatser

Varför ligger inte värmaren bakom brytaren? Skall du kunna fjärrstarta den?

Dela detta inlägg


Länk till inlägg
Dela på andra webbplatser
1 timme sedan skrev Kane:

Varför ligger inte värmaren bakom brytaren? Skall du kunna fjärrstarta den?

Värmare skall slå av sig själva via termostat som hindrar överhettning. Bryter man av misstag med huvudbrytaren kan dom överhetta och börja brinna.

  • Gilla 2

Dela detta inlägg


Länk till inlägg
Dela på andra webbplatser
23 hours ago, IngemarE said:

Visst kan du det, och felmätningen kommer bli ytterst marginell även vid stor last eftersom du har grov kabel dit.

Men dessutom bör ju även denna vara avsäkrad (liksom alla pluskablar), så med din lösning skulle en inkoppling till sista lediga säkringen i "lilla" säkringsplinten kunna vara lämpligt. Då slipper du en lös säkring också.

 

Saknar också en säkring mellan laddrelä och förbrukarbank. Alternativt anslut denna sida av reläet till förbrukarplusplinten istället, så fyller huvudsäkringen det syftet.

Har rättat till dem två sakerna nu, har några frågor till dock 

 

1. Jag har ett uttag från landströmen vid batterierna och hade tänkt att koppla på en laddare, kopplar jag den på samma sätt som solpanelen? 

 

2. Jordplinten har blivit lite överfull, Går det att koppla flera sladdar till en "skruv" på jordplinten eller ska man undvika det?

 

Som @Rascal sa så kopplade jag värmaren förbi huvudbrytaren så att avstängning processen inte avbryts.

ELSCHEMA_V3.png

Dela detta inlägg


Länk till inlägg
Dela på andra webbplatser
26 minuter sedan skrev Scampi76:

1. Jag har ett uttag från landströmen vid batterierna och hade tänkt att koppla på en laddare, kopplar jag den på samma sätt som solpanelen? 

Laddaren ska inte gå via regulatorn. Är det en laddare förordar jag att du kopplar den på förbrukarbanken.

27 minuter sedan skrev Scampi76:

2. Jordplinten har blivit lite överfull, Går det att koppla flera sladdar till en "skruv" på jordplinten eller ska man undvika det?

Ska man vara ”renlärig” ska man inte göra det men jag har gjort så på några mindre kritiska kablar.

Är det många kablar för mycket kan du montera en plint till med en kortare grövre kabel mellan dem.

Dela detta inlägg


Länk till inlägg
Dela på andra webbplatser

Nasa kan bara och skall bara, hålla räkning på laddningstillståndet för en batteribank, nämligen förbrukarbanken. Startbatteriets laddningstillstånd lever och skall leva sitt eget liv. 
För att Nasa skall kunna göra detta krävs att dess shunt skall vara inkopplad så att varenda ström som kan gå in eller ut ur batteribanken skall passera den, och inga andra strömmar får passera shunten,

Då blir ditt schema så här i stället.
 

Image1.jpg

Dela detta inlägg


Länk till inlägg
Dela på andra webbplatser
21 minuter sedan skrev Seawolf:

Nasa kan bara och skall bara, hålla räkning på laddningstillståndet för en batteribank, nämligen förbrukarbanken. Startbatteriets laddningstillstånd lever och skall leva sitt eget liv. 
För att Nasa skall kunna göra detta krävs att dess shunt skall vara inkopplad så att varenda ström som kan gå in eller ut ur batteribanken skall passera den, och inga andra strömmar får passera shunten,

Då blir ditt schema så här i stället.
 

Nja, nu svarar du nog inte på det senaste inlägget, Det har runnit en del vatten under broarna....

Dela detta inlägg


Länk till inlägg
Dela på andra webbplatser
8 timmar sedan skrev ChristerN:

Laddaren ska inte gå via regulatorn. Är det en laddare förordar jag att du kopplar den på förbrukarbanken.

Ska man vara ”renlärig” ska man inte göra det men jag har gjort så på några mindre kritiska kablar.

Är det många kablar för mycket kan du montera en plint till med en kortare grövre kabel mellan dem.

Håller med.

Laddaren hade jag kopplat på en egen säkring till förbrukarplinten, ev. t.o.m. efter huvudbrytaren.

 

Jordplintarna tenderar att bli fulla, känner igen det. Men att sätta dubbla på samma skruv tycker jag kan vara ok, men inte mer. Då får man göra som @ChristerN föreslår - sätta en extraplint bredvid.

Dela detta inlägg


Länk till inlägg
Dela på andra webbplatser
On 3/11/2022 at 11:15 PM, ChristerN said:

Laddaren ska inte gå via regulatorn. Är det en laddare förordar jag att du kopplar den på förbrukarbanken.

Ska man vara ”renlärig” ska man inte göra det men jag har gjort så på några mindre kritiska kablar.

Är det många kablar för mycket kan du montera en plint till med en kortare grövre kabel mellan dem.

Var nog inte så tydlig med min fråga, menade om laddaren gick att koppla som regulatorn. Alltså på den lilla säkringsboxen. Har ritat in det så som jag tänkte i elschemat nu. Bytte även till en annan typ av säkringsbox med inbyggd minusplint. Så drog om minuskopplingarna lite, tror det borde funka med shunten nu också?

ELSCHEMA_V2.1 (2).png

Dela detta inlägg


Länk till inlägg
Dela på andra webbplatser

Det ser ut att funka som du ritat. Själv hade jag satt säkringar på kablarna nära regulator (+&-) och laddare (+) och sedan dragit minus till ”Jordplint 2” och plus till plusplinten utan att gå över din ”Säkringsbox”. Säkringarna ska sitta nära regulator/laddare och vara anpassade till deras maxeffekt, såklart, och kablar dimensionerade därefter. Verkar ”renare” än att ha någon kombo-säkringsbox till en massa saker. Men det är ju bara vad jag tycker och det bör funka som du ritat också.

Dela detta inlägg


Länk till inlägg
Dela på andra webbplatser

hur gick det? hur kopplade du till slut? Jag ska nämligen installera nytt i vår båt och tänker kopiera dig istortsätt rakt av

Dela detta inlägg


Länk till inlägg
Dela på andra webbplatser

En fundering..

Varför skall förbrukare såsom VHF, plotter etc ha en egen strömbrytare i panelen? Jag menar dom har ju en egen on/off strömbrytare i sitt hölje.

Men många plottrar är det ju dessutom så att man måste trycka på dess on/offknapp innan den startar, oavsett om man lämnat den påslagen och stängt av med en extern brytare.

VHF-radioapparater har ju oftast en kombinerat vridknapp med on/off och ljudvolym.

Visserligen har ju en och annan plotter en automatik som kan starta den då man sätter på tändningen.

 

Kommentar till elschemat:

När det gäller lanternorna, lägg inte alla äggen i samma korg, avsäkra varje enskilt kabel till lanternorna.Det är ju dumt att alla fyra slocknar samtidigt om en säkring går. Så sätt upp en säkringsdosa efter strömbrytaren till lanternorna, då varje lanternkabel avsäkras var för sig.

 

Dela detta inlägg


Länk till inlägg
Dela på andra webbplatser

Original generator är på max 30 A.

 

Fixade och byggde om en 70 A bilgenerator. Bl a så var rotationsriktningen för de inbyggda fläkthjulen fel.

 

Har även schottkydioder i serie med sensledningen, vilket gör att jag kan justera laddspänningen till mina AGM-batterier.

 

Om jag skulle göra om detta så ska jag se till att montera ett sånt där frihjul som är inbyggt i remskivan/hjulet på modernare bilar.

Blir s a s mindre dra- och bromsrörelser i generatorremmen.

M a o mindre slitage och oljud.

Som i sin tur beror på att YSM är en cylindrig.

 

O andra sidan har jag observerat att originalgeneratorns 30 ampere

Gott räcker till.

Mäter laddström med BM1 och det är under första minuterna som laddströmmen ligger på strax under 50 A.

Kör med tre parallellkopplade 60 Ah batterier.

Aldrig laddat ur såpass mycket att startmotorn inte gått igång.

 

För skojs skull har jag aktiverat dekompressionsarmen (lyft av avgasventilen) och vevat igång för hand. Släpper armen när jag fått ordentlig fart på svänghjulet.

 

Jag har aldrig haft nytta av separat startbatteri.

 

Ligger ute rätt mycket.

 

Dela detta inlägg


Länk till inlägg
Dela på andra webbplatser

Skapa ett konto eller logga in för att kommentera

Du måste vara medlem för att kunna kommentera

Skapa ett konto

Skapa ett konto på maringuiden.se. Det är lätt!

Registrera ett nytt konto

Logga in

Medlem på maringuiden.se? Logga in här.

Logga in nu

×
×
  • Skapa nytt...