Solrosen 2 Postad 31 Augusti , 2020 Hej! Som ny båtägare och som ny medlem hoppas jag på lite hjälp, har fått så mycket bra info på att läsa gamla inlägg tidigare men nu har jag kört fast i frågan om elsystemet. Upptäckte att i min båt bryts inte speciellt mycket ström via huvudströmbrytaren, mest startfunktionen och varvtalsmätare mm. Allt som cabin lights, plotter vhf m går ändå. Provade då koppla ur alla pluspoler på batterierna men hade ändå ström till dessa funktioner. Kopplade då ur även solcellen som ju sitter innan strömbrytaren, men som ju inte ska driva dessa saker. Då försvann dock strömmen. Blev då lite fundersam på hur det hela hänger ihop. Från solcellen finns mer än en koppling så förutom att ladda batterierna är det en koppling till kylen, som har en gen strömbrytare. Tyckte först det var galet men inser det är praktiskt att kunna lämna båten nån dag med kylen igång utan att behöva ha huvudströmmen på. Här skulle man också kunna koppla in automatisk länspump mm som man ju vill alltid ska kunna gå. Det som gjorde mig fundersam var dock att jag trodde solcellsdosan såg till att solcellens ström används, men även med solcellen frånkopplad hämtas då ström från batteriet denna vägen för att driva kylen. Det som dock ger ström till panelerna för vhf plotter, vattentanksmätare mm är en koppling som sitter direkt på laddregulatorn från generatorn. Även den laddar inte bara batterierna alltså utan kan även ta ström från batterierna. Förstår dock inte hur det kunde ge ström till dessa panelerna utan motorn igång eller pluspolerna på batterierna inkopplade. Antar att den alltså också på nåt vis kan hämta ström från solcellen dit?? Via minuspolen som alltså satt kvar på batteriet? Den första stora frågan är om man inte vill ha alla dessa instrument bakom en huvudströmbrytare? Stor risk att nån glömmer något på och så ligger saker och drar ström trots att man tror man stängt av båten. Min först tanke var att flytta dem om koppla på den på den befintliga strömbrytaren, men dels tror jag det är för lite A för att klara allt och sen är problemet att huvudströmbrytaren bryter på minus medan det på regulatorn är inkopplat på plus. Funderar då på att sätta in ytterligare en strömbrytare för de sladdar som sitter här och då att sätta den på instrumentpanelen. Blir ju längre från batterierna såklart vilket jag är oklar på hur mycket roll det spelar? Den andra stora frågan är om jag missuppfattat, då det ju är plus-sidan som sitter där jag tror det är förbikopplat. Ett praktiskt problem är att om man sätter på mätare utan huvudströmmen på så får man "lite" värden tack vare att kommer ström via solcellen, som jag gissar då. Tex om jag vill se staus på batterierna så kan det visa noll innan jag knäpper på mätaren. Med mätaren på ca 8 V och vacklar. slår jag på huvudströmmen så får jag det riktiga värdet. Kan de va att solcellen tjuvar förbi ström? Jag har ju provat de allra flesta sätt och tror dock testat koppla bort solcellen och ändå har problemet. Kan det va så att det helt enkelt leds ström förbi huvudströmbrytaren trots att det egentligen är kopplat "rätt" så att allt ska gå där? Både solcell och laddregulator är såklart före strömbrytaren och båda verkar ju utöver att ladda att kunna hämta ström från batteriet. Om man nu ska ha två brytare för olika saker (utöver kylen) då är det också så just nu att vissa lampor går på huvudströmbrytaren, vissa bryts inte alls och det mesta har då bara sina knappavstängningar på panelerna som då i så fall nu ska få en brytare. Borde jag i så fall flytta mer saker hit så att allt på den instrumentpanelsen bryts av samma sak? Dela detta inlägg Länk till inlägg Dela på andra webbplatser
Solrosen 2 Postad 1 September , 2020 De finns ju en bra förklaring här men då bygger det ju på att huvudströmmen också bryts på plus... Dela detta inlägg Länk till inlägg Dela på andra webbplatser
Kane 990 Postad 1 September , 2020 Är båten gammal med mycket ändringar gjort på den genom åren? Dela detta inlägg Länk till inlägg Dela på andra webbplatser
Solrosen 2 Postad 1 September , 2020 Den är 40 år och gissar att den hela tiden varit bruten på minus, men sen har man kopplat på andra saker som solcell och då gjort det enligt instruktion på plus. Sen har det tillkommit nya instrument och paneler med automatsäkringar, men i övrigt är det inte så katastrof som det gärna är när många ägare varit på och fingrat (bara 2 äg innan mig) Det känns alltså som man skulle klara sig utan att börja om från början. Bara man råddar upp vad som kopplar förbi huvudströmmen. Kan inte förstå var minus från de här panelerna som ska komma tillbaka dit tar vägen, den borde ju ligga på huvudbrytaren och då borde det funka.. Kan inte se nån annanstans det finns en minus inkopplad än bakom huvudbrytaren samt den till solcellen och den till kylen som separat nämligen och det borde ju inte gå att jorda nån annanstans. Dela detta inlägg Länk till inlägg Dela på andra webbplatser
speljakt 138 Postad 1 September , 2020 1 hour ago, Solrosen said: Det känns alltså som man skulle klara sig utan att börja om från början. En sak som jag inte tror att du kan komma runt är att klarlägga hur det befintliga systemet ser ut. Ett frågetecken som åtminstone för mig kvarstår efter läsning av första inlägget är om det finns ett separat startbatteri i systemet, alltså någon form av separering (skiljediod, relä...)? Dela detta inlägg Länk till inlägg Dela på andra webbplatser
StyrmanKarlsson 175 Postad 1 September , 2020 25 minuter sedan skrev speljakt: En sak som jag inte tror att du kan komma runt är att klarlägga hur det befintliga systemet ser ut Ja, brist på den kunskapen är det största problemet vid felsökning och inför ombyggnad. Dela detta inlägg Länk till inlägg Dela på andra webbplatser
Solrosen 2 Postad 1 September , 2020 Hej! Det finns ett kopplingsschema men det visar inte just instrumentpanelerna, men annars stämmer det bra. Det har ett startbatteri och 2 förbrukning. Förbrukningsbatterierna är parallellkopplade och alla batterier är sammankopplade på minus men inte plus. Regulatorn från generatorn har en koppling för laddning till startbatteriet och en till de parallellkopplade. Hoppas det svarar på frågan. Som du förstår är det ju inte riktig mitt område detta! Skiljediod eller relä vet jag inte riktigt vad det är.. Dela detta inlägg Länk till inlägg Dela på andra webbplatser
Kane 990 Postad 1 September , 2020 (redigerade) 7 minuter sedan skrev Solrosen: Förbrukningsbatterierna är parallellkopplade och alla batterier är sammankopplade på minus men inte plus. Det är rätt. 7 minuter sedan skrev Solrosen: Regulatorn från generatorn har en koppling för laddning till startbatteriet och en till de parallellkopplade. Helt separerade? Dvs med motorn avslagen så är startbatteriet och förbrukningsbatterierna åtskilda. Redigerad 1 September , 2020 av Kane Dela detta inlägg Länk till inlägg Dela på andra webbplatser
speljakt 138 Postad 1 September , 2020 Jag gissar nu, men det du kallar för "regulatorn från generatorn" är förmodligen något annat, kanske en skiljediod. Regulatorn är oftast integrerad i generatorn (vid kolborstarna) eller är en liten svart pryl på generatorns baksida. Bilder skulle hjälpa.... Dela detta inlägg Länk till inlägg Dela på andra webbplatser
Solrosen 2 Postad 1 September , 2020 3 timmar sedan skrev speljakt: Jag gissar nu, men det du kallar för "regulatorn från generatorn" är förmodligen något annat, kanske en skiljediod. Regulatorn är oftast integrerad i generatorn (vid kolborstarna) eller är en liten svart pryl på generatorns baksida. Bilder skulle hjälpa.... Det stämmer säkert. Kan ta bilder när jag är i båten. Det är en liten box där sladden från generatorn går in och två olika sladdar går ut - en till start- och en till förbrukningsbatteri. Vill dock minnas att det stod regulator på kopplingsschemat. Ser alltså ungefär likadant ut som boxen där solcellen går in och sen kommer ut en sladd som ska gå till batteriet. Dela detta inlägg Länk till inlägg Dela på andra webbplatser
Solrosen 2 Postad 1 September , 2020 4 timmar sedan skrev Kane: Helt separerade? Dvs med motorn avslagen så är startbatteriet och förbrukningsbatterierna åtskilda. I vart fall som jag förstått. Förbrukning ska inte kunna drivas av startbatteriet efter vad förra ägaren sa (sen hade han fel om vilket batteri som var startbatteriet så man vet ju inte säkert..) Om jag bara kopplar på polerna till startbatteriet så verkar inte mycket utom att starta båten och visa utslag på det batteriets voltmätare att fungera. Kan ju fota kopplingsschemat när jag är i båten nästa gång, troligen imorgon. Dela detta inlägg Länk till inlägg Dela på andra webbplatser
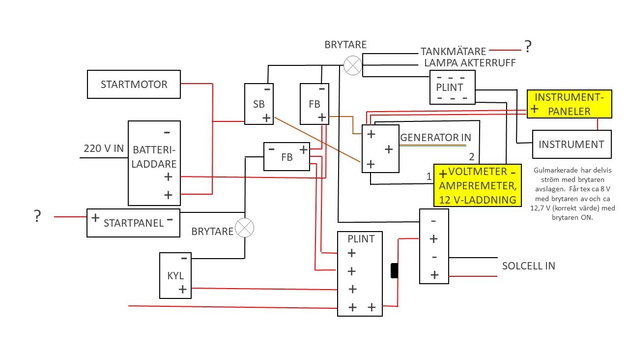
Solrosen 2 Postad 1 September , 2020 Nu så har jag skissat upp kopplingsschemat så som jag uppfattar att det ser ut utifrån grunden som fanns och visst undersökande. Om nån kan förklara varför jag har viss ström till de gulmarkerad delarna med strömbrytaren av och hur jag kommer undan det så vore jag stort tacksam! Dela detta inlägg Länk till inlägg Dela på andra webbplatser
Solrosen 2 Postad 2 September , 2020 2020-09-01 vid 12:02 skrev StyrmanKarlsson: Ja, brist på den kunskapen är det största problemet vid felsökning och inför ombyggnad. Tror jag kommit en bra bit på det nu, men förstår inte hur det kryper ström förbi strömbrytaren. Den är uppmätt hel för att fungera, dvs har motstånd, men jag kan mäta nästan full spänning över den även i frånslaget läge. Dela detta inlägg Länk till inlägg Dela på andra webbplatser
ChristerN 2 741 Postad 2 September , 2020 1 timme sedan skrev Solrosen: Tror jag kommit en bra bit på det nu, men förstår inte hur det kryper ström förbi strömbrytaren. Den är uppmätt hel för att fungera, dvs har motstånd, men jag kan mäta nästan full spänning över den även i frånslaget läge. Har du spänning på bägge sidor oavsett hur omkopplaren står (och den fungerar) så har du spänning via något annat håll. Knepigt läge! Tror du kanske måste gå igenom elsystemet helt för att hitta var det inte stämmer och kanske att jag i det läget skulle göra om så att säkringar och brytare går på plus-sidan. Inte för att det behöver vara fel att ha det på minus-sidan utan för att i stort sett alla båtar har det så. Dela detta inlägg Länk till inlägg Dela på andra webbplatser
Solrosen 2 Postad 2 September , 2020 3 minuter sedan skrev ChristerN: Har du spänning på bägge sidor oavsett hur omkopplaren står (och den fungerar) så har du spänning via något annat håll. Knepigt läge! Tror du kanske måste gå igenom elsystemet helt för att hitta var det inte stämmer och kanske att jag i det läget skulle göra om så att säkringar och brytare går på plus-sidan. Inte för att det behöver vara fel att ha det på minus-sidan utan för att i stort sett alla båtar har det så. Kanske är så 😟 ska prova felsöka lite mer i vart fall, känns inet som det jag vill lägga allt tid och energi på, men man lär sig ju i vart fall lite hela tiden! Dela detta inlägg Länk till inlägg Dela på andra webbplatser
LuminaL 102 Postad 2 September , 2020 Borde det inte leda ström via generator jord till batteri minus? Plocka av dom två + kablarna till batterierna från generatorn. Dela detta inlägg Länk till inlägg Dela på andra webbplatser
Solrosen 2 Postad 4 September , 2020 2020-09-02 vid 14:36 skrev LuminaL: Borde det inte leda ström via generator jord till batteri minus? Plocka av dom två + kablarna till batterierna från generatorn. Jo, i andra scheman jag sett så har jag förstått att det brukar vara så. Har dock ingen minussladd där.. Måste nog kolla mer vad den faktiskt gör. Men nu har jag hittat det omedelbara felet i vart fall. Via startpanelen kröp det ström förbi strömbrytaren. Hade ingen ny sladd lång nog för att fixa det igår, men sen när det är gjort så ska allt utom kylskåpet bryta på huvudströmbrytaren. Det verkar i kopplingsscheman jag hittat på nätet lite olika om hur man tycker om att ha brytare för start och för förbrukning på samma. Någon som har något smart att tillföra i den frågan? Dela detta inlägg Länk till inlägg Dela på andra webbplatser
ChristerN 2 741 Postad 4 September , 2020 1 minut sedan skrev Solrosen: Någon som har något smart att tillföra i den frågan? Smart och smart, det vet jag inte men... Jag tycker absolut att man ska ha separata brytare för start och förbrukning. Varför? Jo, ligger jag i hemmahamnen vill jag kanske ha kylskåpet på men inte sånt som är kopplat till start (eller bogis eller ankarspel som på min båt är separerade dessutom). Min uppfattning är att allt ska brytas via en brytare utom automatisk länspump, värmare och liknande. Men sen ska man inte glömma säkringarna! (För att inte blanda ihop två olika diskussioner.) Dela detta inlägg Länk till inlägg Dela på andra webbplatser
Kane 990 Postad 4 September , 2020 1 timme sedan skrev Solrosen: Det verkar i kopplingsscheman jag hittat på nätet lite olika om hur man tycker om att ha brytare för start och för förbrukning på samma. Någon som har något smart att tillföra i den frågan? Jag tycker det är smidigt att ha dubbla brytare om plats finnes. Då behöver ju inte motorströmmen vara på om man ligger still. Dela detta inlägg Länk till inlägg Dela på andra webbplatser
Solrosen 2 Postad 4 September , 2020 1 timme sedan skrev ChristerN: Smart och smart, det vet jag inte men... Jag tycker absolut att man ska ha separata brytare för start och förbrukning. Varför? Jo, ligger jag i hemmahamnen vill jag kanske ha kylskåpet på men inte sånt som är kopplat till start (eller bogis eller ankarspel som på min båt är separerade dessutom). Min uppfattning är att allt ska brytas via en brytare utom automatisk länspump, värmare och liknande. Men sen ska man inte glömma säkringarna! (För att inte blanda ihop två olika diskussioner.) De undantagsgrejerna som automatisk länspump som du nämner finns inte på min båt ännu, inte heller bogpropeller eller ankarspel, så det är egentligen själva startfunktionen som jag får på köpet med att ha allt på en brytare. Startpanelen sen är ju beroende av motorn. Undantaget är kylskåpet som har har en egen just för att kunna ha det igång om man lämnar båten ett tag men inte vill ha annat på. Dock missar man ju i så fall din poäng om att kunna ha tex belysning och annat på utan att ha huvudströmmen tillslagen om man ligger i hemmahamnen. Kan ju dock koppla in något mer på samma som kylen om jag skulle vilja. Sen har ju all förbrukning också egna strömbrytare på panelerna. Bogis kommer det inte bli men en länspump kan jag ju välja att koppla förbi (känns lämpligt) och ankarspel ska jag ta mig en stor funderare på. Ja, säkringar är ju nästa grej sen, känns som det saknas lite där... Dela detta inlägg Länk till inlägg Dela på andra webbplatser
LuminaL 102 Postad 4 September , 2020 1 timme sedan skrev Solrosen: Jo, i andra scheman jag sett så har jag förstått att det brukar vara så. Har dock ingen minussladd där.. Måste nog kolla mer vad den faktiskt gör. Men nu har jag hittat det omedelbara felet i vart fall. Via startpanelen kröp det ström förbi strömbrytaren. Hade ingen ny sladd lång nog för att fixa det igår, men sen när det är gjort så ska allt utom kylskåpet bryta på huvudströmbrytaren. Det verkar i kopplingsscheman jag hittat på nätet lite olika om hur man tycker om att ha brytare för start och för förbrukning på samma. Någon som har något smart att tillföra i den frågan? Går nog jord (-12V) i godset. Då är det ingen kabel. 1 Dela detta inlägg Länk till inlägg Dela på andra webbplatser
ChristerN 2 741 Postad 4 September , 2020 1 timme sedan skrev LuminaL: Går nog jord (-12V) i godset. Då är det ingen kabel. Fast en båt har ju oftast inte ett metallchassi som man kan föra minus (vill inte kalla det jord) runt i båten. Dock finns det ju flera ställen i motorn man skulle kunna dra ut en minus ur. Dela detta inlägg Länk till inlägg Dela på andra webbplatser
Wingan 71 Postad 4 September , 2020 1 timme sedan skrev ChristerN: Fast en båt har ju oftast inte ett metallchassi som man kan föra minus (vill inte kalla det jord) runt i båten. Dock finns det ju flera ställen i motorn man skulle kunna dra ut en minus ur. Fast nu mätte väl inte TS mot båtskrovet heller.........hoppas jag 😉 Dela detta inlägg Länk till inlägg Dela på andra webbplatser
ChristerN 2 741 Postad 4 September , 2020 5 minuter sedan skrev Wingan: Fast nu mätte väl inte TS mot båtskrovet heller.........hoppas jag 😉 Fast TSs ”problem” är ju att han har spänning fram efter brytarna (via kablar) även om de är avslagna. Då tänker jag att han mäter mot en kabel eller mot förbrukarsidan av brytarna. Eller tänker jag fel? Dela detta inlägg Länk till inlägg Dela på andra webbplatser
Wingan 71 Postad 4 September , 2020 6 timmar sedan skrev ChristerN: Fast TSs ”problem” är ju att han har spänning fram efter brytarna (via kablar) även om de är avslagna. Då tänker jag att han mäter mot en kabel eller mot förbrukarsidan av brytarna. Eller tänker jag fel? Ok, min kommentar var mest ett litet skämt med dig. Efter att ha läst din kommentar till LuminaL:s inlägg, som jag tror är helt korrekt. Spänningen på TS voltmeter och instrumenpanel är ju "samma mätpunkt som batterierna" (via generatorn). Jag gissar att minusplinten är kopplad till motorgods på något sätt. Dela detta inlägg Länk till inlägg Dela på andra webbplatser
Solrosen 2 Postad 7 September , 2020 2020-09-04 vid 19:58 skrev Wingan: Ok, min kommentar var mest ett litet skämt med dig. Efter att ha läst din kommentar till LuminaL:s inlägg, som jag tror är helt korrekt. Spänningen på TS voltmeter och instrumenpanel är ju "samma mätpunkt som batterierna" (via generatorn). Jag gissar att minusplinten är kopplad till motorgods på något sätt. 2020-09-04 vid 13:37 skrev ChristerN: Fast TSs ”problem” är ju att han har spänning fram efter brytarna (via kablar) även om de är avslagna. Då tänker jag att han mäter mot en kabel eller mot förbrukarsidan av brytarna. Eller tänker jag fel? Precis, jag mätte till förbrukarsidan av brytaren. Dock har jag hittat den felaktigt kopplade kabeln nu så problemet verkar äntligen löst! 2 Dela detta inlägg Länk till inlägg Dela på andra webbplatser