Gå till innehåll
torsdag 02 oktober 2025
Emilioten

sätta in generator på en md2b med dynastart

Rekommendera Poster

Jag sitter med ett dilemma, jag har en gammal penta md2b med dynastart (startmotor och generator i ett)  problemet med denna är att strömmen den ger i laddning till batteriet är nästan försumbar.   Hade jag haft separat startmotor o generator hade problemet blivit lite angenämare men så är ju tyvärr inte fallet.

 

motorutrymmet är relativt trångt så jag tvekar på att jag kan knö in en generator till. har isf dess behov av en längre rem än min 9,5 x1300 som jag bytte nyss och har inte efter googlingar lyckats finna nån längre lämplig längd på rem. 

 

Är mina elproblem konstanta o måste jag bara acceptera låg laddström eller finns det en lösning?  

Dela detta inlägg


Länk till inlägg
Dela på andra webbplatser

Man kan ju sätta en extra remskiva i centrum på svänghjulet. Hade så på en MD2b. Generatorn sitter ju i så fall i ett fäste på motorn.

Dynastarten laddar startbatteriet och den extra generatorn förbrukningsbatteriet.

Funderade på den lösningen på en MD1(a). En kompis varnade för att man kunde få problem i starten om batteribanken var mycket urladdad och man skulle starta efter en dags segling och man hastigt behövde motor. Men det finns metoder för att fördröja att den extra generatorn börjar ladda.

Dela detta inlägg


Länk till inlägg
Dela på andra webbplatser

Förhindra att laddningen startar kan man göra genom att bryta den ström som går genom laddlampan, med en separat strömbrytare.

 

När man fått fart på motorn, så sluter man helt enkelt strömbrytaren och laddningen startar.

 

Bra ide att ha separata generatorer för start- och förbrukningsbatterier.

 

Jag använder nu multiribbrem till min

70 A genetator, med passande remskivor. Vanlig enkel remskiva slirade. Gnisslade och/eller blev mycket varm.

 

Det kan vara lämpligt att använda generator med rätt rotationsrikning, för att få bästa kylning.

 

Rembutiken.se har de remmar du behöver.

 

Profilen på multirebbremmarnas ribbor är olika för fordon resp industritillämpningar.

 

 

 

 

Redigerad av Hybro

Dela detta inlägg


Länk till inlägg
Dela på andra webbplatser
13 minuter sedan skrev Hybro:

Förhindra att laddningen startar kan man göra genom att bryta den ström som går genom laddlampan, med en separat strömbrytare.

Nej, generatorn kan ladda ändå.

Antingen bryter man D+ där strömmen går in i regulatorn. Eller Df mellan regulator och fältlindningen.

Eller så bryter man helt enkelt B+ men dr är det större strömmar.

Dela detta inlägg


Länk till inlägg
Dela på andra webbplatser

Bryta B+, medför att generatorn går obelastad och går då oftast sönder.

Jag har bara erfarenhet av generatorer med inbyggd regulator.

 

Att bryta D+, blir då samma som jag skrev ovan, eftersom den får ström genom laddlampa, vars andra ände är kopplad till tändningslåsets "plus" vid töndning på.

 

Men visst. Om man varvar motorn ordentlig, så startar i tegel laddnningen utan fältström genom laddlampan. O andra sidan så ger jag inte fullgas de första 5 minuterna.

Redigerad av Hybro

Dela detta inlägg


Länk till inlägg
Dela på andra webbplatser

Å  för den som ids läsa om min erfarenheter... av bl a generatorer

 

https://www.maskinisten.net/viewtopic.php?p=4060587#p4060587

 

 

Minns en snipa jag hade med en 2-takts Solo på 3 hp.

Ville ha gemerator o bilbatteri.

Svarvade kilrepsspår på svänghjulet.

Regulator hängande bredvid.

Stoppade in en träflisa mellan regularorns kontakter, när jag skulle start med vev.

 

Redigerad av Hybro

Dela detta inlägg


Länk till inlägg
Dela på andra webbplatser

 

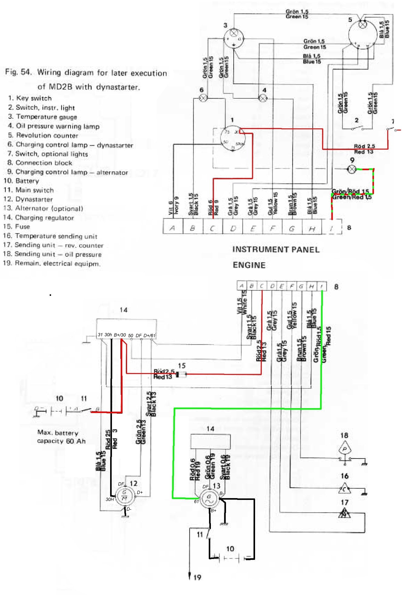
Här kan man hitta begagnade fästen och remskivor för att sätta växelströmsgenerator på en MD2:

 

https://www.blocket.se/goteborg/Volvo_Penta_Yanmar_Motorer_och_Reservdelar_78602678.htm?ca=11&w=3

 

https://www.blocket.se/sodermanland/Mangder_med_delar_till_inombordsmotorer_62784210.htm?ca=11&w=3

 

Jag har själv satt en på en MD1B....funkar ok.

 

alternator.jpg

MD2 Elschema Dynastart Vx-gen.jpg

Dela detta inlägg


Länk till inlägg
Dela på andra webbplatser
2 timmar sedan skrev Hybro:

Bryta B+, medför att generatorn går obelastad och går då oftast sönder.

Jag har bara erfarenhet av generatorer med inbyggd regulator.

 

Att bryta D+, blir då samma som jag skrev ovan, eftersom den får ström genom laddlampa, vars andra ände är kopplad till tändningslåsets "plus" vid töndning på.

 

Men visst. Om man varvar motorn ordentlig, så startar i tegel laddnningen utan fältström genom laddlampan. O andra sidan så ger jag inte fullgas de första 5 minuterna.

För många år sedan kunde man blåsa dioderna i generatorn om man kopplade bort lasten när generatorn laddade. Men så är det inte numera, förr klarade dioderna 35V, idag är det minst 600V. Har man en gammal generator kan det vara ide att byta dioder, det kostar någon hundring och man får inga framtida problem. 

Att bryta magnetiseringen är en elegantare metod.

Generatorn har ofta tillräckligt med remanens för att kunna för att upp tillräckligt med spänning för att magnetiseringen. Laddlampan är till ifall inte magnetiseringen. Man kan testa att plocka ut lampan så ser man oftast att generatorn börjar leverera ström. (Volvo ha en krets som ger ström även om lampan saknas).

Bryter man laddlampan så kanske inte generatorn börja ladda men man har inga garantier.

När man gjorde elverk av gräsklipparmotor och bilgenerator så var det väldigt svårt att starta dessa. När man ryckte i snöret så började generatorn ladda och man fick inte upp tillräcklig fart för att den skulle starta. Lösningen var en knap som bröt laddningen under starten.

Regulatorn sitter bak på generatorn, brukar vara enkel fixa.

Dela detta inlägg


Länk till inlägg
Dela på andra webbplatser

Är inte direkt sugen att testa o bryta B+, nästa gång jag startar motorn...

  • Gilla 1

Dela detta inlägg


Länk till inlägg
Dela på andra webbplatser

Skapa ett konto eller logga in för att kommentera

Du måste vara medlem för att kunna kommentera

Skapa ett konto

Skapa ett konto på maringuiden.se. Det är lätt!

Registrera ett nytt konto

Logga in

Medlem på maringuiden.se? Logga in här.

Logga in nu

×
×
  • Skapa nytt...